Jalan / Jalan E

Motor Hub Belakang Tipe D MELALUI Poros

Motor Hub Belakang D-TYPE THRU AXLE, dirancang untuk e-MTB dan sepeda e-road/Graval, beratnya hanya 2,4kg(termasuk kaset) dengan poros 148mm. Desainnya yang ringan dan struktur poros memastikan kekuatan dan stabilitas tinggi selama berkendara kecepatan tinggi. Dengan daya terukur 48V 250W dan torsi stall lebih dari 50Nm, produk ini kompatibel dengan kaset sensor torsi, memberikan akselerasi mulus dan kinerja responsif untuk berbagai medan.

Parameter Kunci
Struktur motorik: Nilai Tegangan (V): Nilai Daya (W):
Motor Hub Pelari Cepat 36-48 220-250
Torsi Puncak (Nm): Berat (KG): TUA (mm):
>50NM 2.4(Dengan Kaset) 141
informasi detail
  • Motor Hub Belakang Tipe D MELALUI Poros
  • Motor Hub Belakang Tipe D MELALUI Poros
Ningbo Yinzhou HENTACH Electromechanical Co., Ltd. Product Parameters Ningbo Yinzhou HENTACH Electromechanical Co., Ltd. Drawing Ningbo Yinzhou HENTACH Electromechanical Co., Ltd. Contact Us

Data Inti

Nilai daya 220-250
Tegangan terukur 36-48
Diameter roda 20-28
Rentang kecepatan 25-32
Torsi maksimum >50NM
Rasio Gigi 6.3
Berat (KG) 2.4(Dengan Kaset)

Parameter Instalasi

Rem rem cakram
Kaset sensor torsi Ya
Rute Pengkabelan Sisi Gandar Kiri
Lubang bicara 2-18-Ф3.2
Peringkat tahan air IP54 (Hingga IP65)
Roda Gila/Roda Sproket Kaset 7-12 kecepatan/Kaset 7-12 kecepatan
Sertifikat TUV/EN15194/RoHS

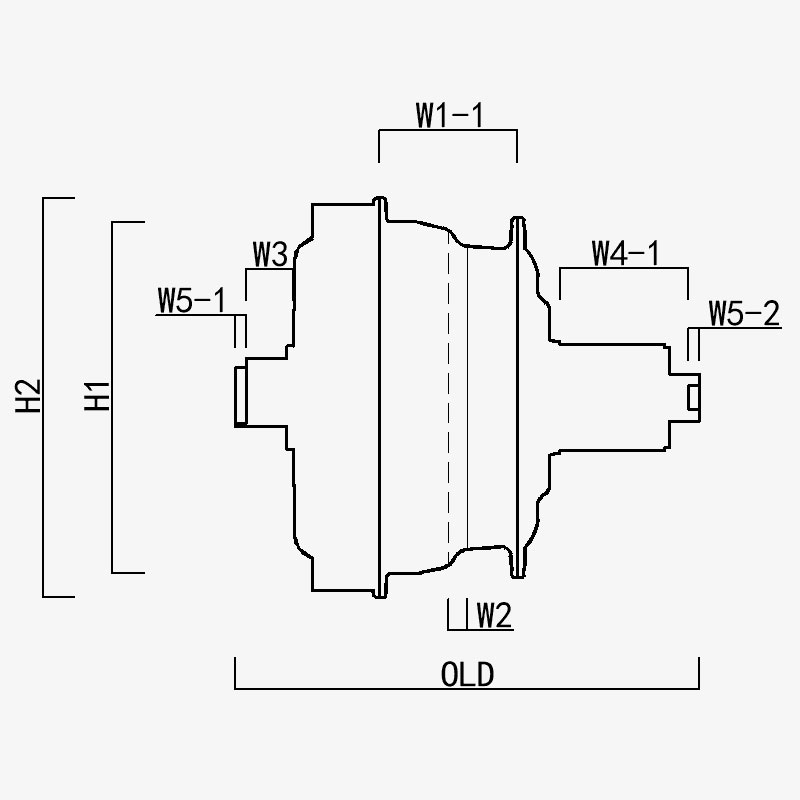
H1/ OD: 112
H2/OD Motor: 128
W1(-1/-2): 44
W2: 6
W3: 15.25
W4(-1/-2): 42.5
W5(-1/-2): 3.5
TUA: 141
Panjang Gandar: 148
Ningbo Yinzhou HENTACH Electromechanical Co., Ltd.
hubungi kami
  • Kirim dan kirim
Ningbo Yinzhou HENTACH Electromechanical Co., Ltd.
APA YANG MEMBEDAKAN KITA
  • Roda gigi baja plastik yang dipatenkan: 5 kali torsi roda gigi nilon; rentang hidup lebih dari 40.000 km; layanan purna jual yang lebih rendah

  • Motor rotor eksternal: struktur lebih stabil dan tingkat kegagalan lebih rendah dibandingkan rotor internal

  • Struktur poros barel standar 10mm, lebih ringan dan lebih kecil, dengan bukaan roda gigi 142mm, dapat mencapai torsi >50NM, motor poros barel 250w dengan torsi terbesar di pasar

SIAPA KITA Lebih dari 20 tahun pengalaman produksi.

Ningbo Yinzhou HENTACH Electromechanical Co., Ltd. (Sebelumnya Hengtai Motor) Didirikan pada tahun 1995 dan sebelumnya dikenal sebagai "Hengtai Motor" (nama Cina perusahaan kami), kami secara resmi mengadopsi nama Inggris "HENTACH Motor" pada tahun 2020. Kedua nama tersebut mewakili pabrikan tepercaya yang sama yang didedikasikan untuk inovasi elektromekanis selama lebih dari 30 tahun. Mengkhususkan diri dalam pengecoran dan pemrosesan presisi motor DC mini, motor hub listrik/sepeda motor, dan paduan aluminium-magnesium untuk kendaraan listrik, kami menggabungkan sistem kendali mutu ISO 9001 yang ketat, praktik manajemen yang matang, dan peralatan manufaktur/pengujian mutakhir untuk memberikan solusi yang andal.

Dengan kemampuan menyeluruh mulai dari pengecoran bahan baku hingga pengiriman produk akhir, kami melayani berbagai pasar termasuk sepeda listrik, kendaraan kargo, AGV, mobil golf, mesin pertanian, dan e-karting. Kampus kami seluas lebih dari 9.000 m² (area bangunan 5.000 m²) memiliki lebih dari 60 unit peralatan produksi canggih, termasuk mesin pengecoran die-casting 500 ton, mesin perkakas CNC presisi, sistem penandaan laser, lini oksidasi busur mikro, dan dua bangku uji motor kendaraan listrik khusus. Infrastruktur ini memastikan produksi yang efisien dan kepatuhan ketat terhadap standar kualitas internasional.

Di HENTACH (Hengtai), kami memprioritaskan material berkualitas tinggi dan teknologi eksklusif—peralatan baja nilon kami yang telah dipatenkan merupakan bukti keunggulan teknik kami. Untuk memvalidasi daya tahan, kami pernah meluncurkan program jaminan jarak tempuh untuk motor yang melebihi 30.000 mil. Hasilnya? Lebih dari 50 motor tidak hanya memenuhi standar ini tetapi juga melampauinya, beberapa di antaranya mencapai jarak 50.000 mil yang mengesankan. Performa nyata ini mencerminkan fokus kami yang tak tergoyahkan pada keandalan dan memotivasi kami untuk terus berinovasi demi solusi motor yang lebih cerdas dan kuat.​
Percayai merek yang dikenal secara global sebagai Hengtai Motor dan HENTACH Motor—tempat inovasi peralatan baja yang dipatenkan berpadu dengan ketahanan yang telah terbukti.

Disertifikasi oleh Sertifikasi