E-FAT / E-KARGO

Motor Hub Depan Tipe S Pro F1500

Motor hub depan S-Type Pro F1500, dirancang untuk sepeda E-Carao dan E-Fat, menawarkan daya terukur dari 750W hingga 1500W dan torsi puncak 145Nm. Ini meningkatkan traksi pada kecepatan rendah dan kemampuan memanjat di medan yang menantang, mengatasi kekurangan daya dalam aplikasi beban tinggi. Dilengkapi dengan roda gigi baja plastik yang dipatenkan HENTACH-lima kali lebih kuat dari roda gigi nilon-mendukung motor dengan daya di atas 1000W, di mana roda gigi nilon tradisional akan cepat aus pada torsi berkelanjutan di atas 100Nm.

Parameter Kunci
Struktur motorik: Nilai Tegangan (V): Nilai Daya (W):
Motor Hub Berlari Cepat 48-60 750-1500
Torsi Puncak (Nm): Berat (KG): TUA (mm):
145 5.5 190
informasi detail
  • Motor Hub Depan Tipe S Pro F1500
  • Motor Hub Depan Tipe S Pro F1500
Ningbo Yinzhou HENTACH Electromechanical Co., Ltd. Product Parameters Ningbo Yinzhou HENTACH Electromechanical Co., Ltd. Drawing Ningbo Yinzhou HENTACH Electromechanical Co., Ltd. Contact Us

Data Inti

Nilai daya 750-1500
Tegangan terukur 48-72
Diameter roda 20-26
Rentang kecepatan 25-65
Torsi maksimum 145
Rasio Roda Gigi 5
Berat (KG) 5.5

Parameter Instalasi

Rem Rem Cakram
Kaset sensor torsi Tidak
Rute Pengkabelan Sisi Gandar Kanan
Lubang bicara 2-18-Ф3.5
Peringkat tahan air IP54 (Hingga IP65)
Roda Gila/Roda Sproket /
Sertifikat TUV/EN15194/RoHS

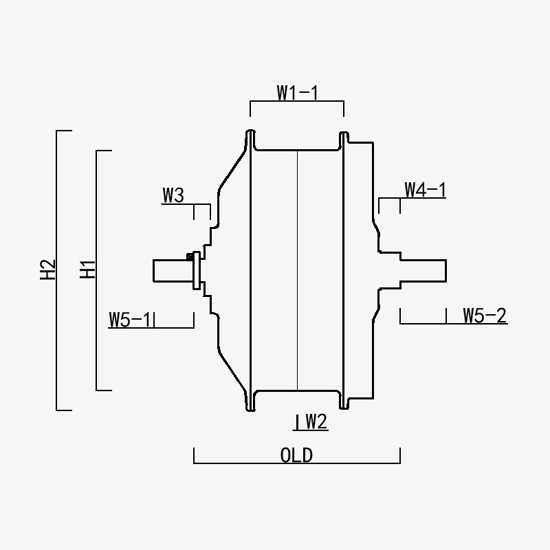
H1/ OD: 157
H2/OD Motor: 183
W1(-1/-2): 60.9
W2: 0
W3: 11
W4(-1/-2): 14.1
W5(-1/-2): 26/30
TUA: 135
Panjang Gandar: 191
Ningbo Yinzhou HENTACH Electromechanical Co., Ltd.
hubungi kami
  • Kirim dan kirim
Ningbo Yinzhou HENTACH Electromechanical Co., Ltd.
APA YANG MEMBEDAKAN KITA
  • Motor penggerak depan yang bertenaga, bukaan gigi 135mm, daya terukur hingga 1500w.

  • Roda gigi baja plastik yang dipatenkan: 5 kali torsi roda gigi nilon; rentang hidup lebih dari 40.000 kilometer; purna jual yang lebih rendah

  • Tahan torsi hingga 145NM, dirancang khusus untuk efat/Cargo.

SIAPA KITA Lebih dari 20 tahun pengalaman produksi.

Ningbo Yinzhou HENTACH Electromechanical Co., Ltd. (Sebelumnya Hengtai Motor) Didirikan pada tahun 1995 dan sebelumnya dikenal sebagai "Hengtai Motor" (nama Cina perusahaan kami), kami secara resmi mengadopsi nama Inggris "HENTACH Motor" pada tahun 2020. Kedua nama tersebut mewakili pabrikan tepercaya yang sama yang didedikasikan untuk inovasi elektromekanis selama lebih dari 30 tahun. Mengkhususkan diri dalam pengecoran dan pemrosesan presisi motor DC mini, motor hub listrik/sepeda motor, dan paduan aluminium-magnesium untuk kendaraan listrik, kami menggabungkan sistem kendali mutu ISO 9001 yang ketat, praktik manajemen yang matang, dan peralatan manufaktur/pengujian mutakhir untuk memberikan solusi yang andal.

Dengan kemampuan menyeluruh mulai dari pengecoran bahan baku hingga pengiriman produk akhir, kami melayani berbagai pasar termasuk sepeda listrik, kendaraan kargo, AGV, mobil golf, mesin pertanian, dan e-karting. Kampus kami seluas lebih dari 9.000 m² (area bangunan 5.000 m²) memiliki lebih dari 60 unit peralatan produksi canggih, termasuk mesin pengecoran die-casting 500 ton, mesin perkakas CNC presisi, sistem penandaan laser, lini oksidasi busur mikro, dan dua bangku uji motor kendaraan listrik khusus. Infrastruktur ini memastikan produksi yang efisien dan kepatuhan ketat terhadap standar kualitas internasional.

Di HENTACH (Hengtai), kami memprioritaskan material berkualitas tinggi dan teknologi eksklusif—peralatan baja nilon kami yang telah dipatenkan merupakan bukti keunggulan teknik kami. Untuk memvalidasi daya tahan, kami pernah meluncurkan program jaminan jarak tempuh untuk motor yang melebihi 30.000 mil. Hasilnya? Lebih dari 50 motor tidak hanya memenuhi standar ini tetapi juga melampauinya, beberapa di antaranya mencapai jarak 50.000 mil yang mengesankan. Performa nyata ini mencerminkan fokus kami yang tak tergoyahkan pada keandalan dan memotivasi kami untuk terus berinovasi demi solusi motor yang lebih cerdas dan kuat.​
Percayai merek yang dikenal secara global sebagai Hengtai Motor dan HENTACH Motor—tempat inovasi peralatan baja yang dipatenkan berpadu dengan ketahanan yang telah terbukti.

Disertifikasi oleh Sertifikasi